產品參數:
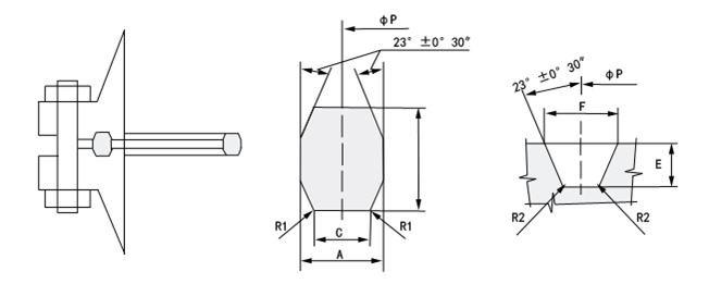
金屬環墊的適用公稱壓力為2。0MPA~42。0MPA,通常應用于高壓蒸氣,氣體,溶劑等裝置,如塔槽,高壓容器,高壓閥門等。最高使用壓力150MPA,溫度1000℃,對于八角型,R型,最高使用壓力:10000PSI,RX型BX型是15000PSI。 金屬環墊最早來源于美國,在20世紀20年代最早使用于鍋爐領域,后來用于人孔蓋,高壓釜其它窗口的密封,以后在石油生產和煉油工業中格外受到重視。隨著蒸汽動力裝置的溫度和壓力增加,金屬環墊的用途就越來越廣泛。 一般為純鐵(軟鐵),低碳鋼,F5,Cr5Mo,0Cr13,0Cr18Ni9,00Cr19Ni10等,其硬度應比法蘭材料低30~40HBS。 1. 軟鐵成分: C<0.05,Si<0.4,Mn<0.60,P<0.035,S<0.04 2.F5成分:表示ASTM技術規范A182—72所要求的化學成分,4-6% Cr,0.5% Mo, G-307—1 八角型墊片 G-307—2 橢圓型墊片 G-307—3 RX型墊片 G-307—4 BX型墊片
墊片安裝在法蘭面的梯型環槽內,當擰緊連接螺栓時,受軸向壓縮與上下梯型槽帖緊,產生塑性變形,形成一環狀密封帶,建立初始密封。升壓后,在介質壓力的作用下,使環墊徑向擴張。墊片與梯形槽的斜面更加帖緊,產生自緊作用。但是,介質壓力的升高同樣會使法蘭和連接螺栓變形,造成成密封面間的相對分離,墊片密封比相對下降,因而,環墊可以認為是半自緊密封。

法蘭用R型(八角形、橢圓形)、RX型及BX型自緊密封金屬環墊
在我國石油天然氣工業中,井口裝置和采油樹(采油樹系指裝于油管頭最上部的閥門和附件的組合裝置,用于控制井的生產)采用美國石油學會標準API 6B型、6BX型和扇形法蘭,法蘭額定工作壓力一共分六級:13.8、20.7、34.5、69.0、103.4及138.0MPa。6B型法蘭為整體法蘭、螺紋法蘭及對焊法蘭,法蘭密封墊片為R型八角形或橢圓形金屬環墊或RX型壓力自緊金屬環墊:6BX型法蘭為整體法蘭、對焊法蘭及盲板法蘭,法蘭密封墊片為BX型壓力自緊金屬環墊;扇形法蘭用密封墊片為RX型壓力自緊金屬環墊。
API6B型、6BX型和扇形法蘭用金屬密封環墊已被等同納入我國石油行業標準SY/T5127-2002《井口裝置和采油樹規范》。
產品類別:
R型圓墊是一種圓形的墊片,這種墊片通常都是以不銹鋼為主制成的墊片,在使用中其具有按強的耐高溫、耐腐蝕、雨磨損的性能。而且由于R型橢圓墊的形狀特殊,能夠專門用于某種機械零件上,能夠保證其具有的密封性,而且能夠在一定程度上保證,其在使用中的穩定性,一般都不會產生松動的現象。
R型橢圓墊在現代機械生產使用中擁有較好的性能,而且能夠在一定程度上發出重要的性能,不僅能夠保證其機械使用的牢固性,而且能夠在一定度上保證各種產品運行的穩定性及安全可靠性。
R型橢圓墊的材料一般都是由不銹鋼等金屬制成的,其硬度較大,經過技術的處理,使其在使用中擁有較大的韌性,一般都不會出現折斷、開裂的現象。
獲取報價